Abwassertauchpumpe HCP AF-1030 / 400V
Schlamm-Tauchmotorpumpe HCP AF-1030 / 400V
Schlamm-Tauchpumpen sind für die anspruchsvollsten Umgebungen konzipiert, in denen Rohwasser gepumpt werden muss. Der Transport von Rohwasser stellt hohe Anforderungen an das Material und die Leistung der Pumpe. Die Schlammpumpen der Serie AF sind auch unter anspruchsvollen Bedingungen einsetzbar.
Gusseiserne Abwasserpumpen mit robuster Konstruktion. Die Pumpen sind aus Grauguss gefertigt und mit doppelten SiC/SiC-Gleitringdichtungen ausgestattet, die mit einer permanenten Ölfüllung geschmiert werden. Eine zusätzliche Öldichtung schützt die Gleitringdichtungen vor Verschmutzung. Der Elektromotor in Trockenbauweise ist mit einem zusätzlichen Wärmeschutz (Bimetall) ausgestattet.
Werkstoff der Pumpe:
- Pumpengehäuse: Grauguss 0.6020
- Oberer Deckel: Grauguss 0.6020
- Welle: rostfreier Stahl AISI 1.4006
- Doppelte Gleitringdichtung
Laufrad
- P - halboffenes Laufrad mit zwei Schaufeln oder einer Schaufel mit Wolframplatte (ermöglicht die Verkürzung von faserigen Materialien und verhindert Verstopfungen)
- U - Drallrad mit guter Verstopfungsresistenz. Für Medien mit festen und faserigen Stoffen
- E - geschlossenes Einkanal-Laufrad. Sehr effektiv für die Förderung von Wasser mit Feststoffen
Leistungskurve der Pumpe
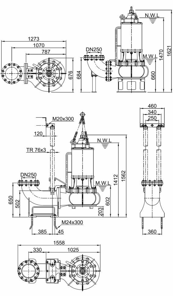
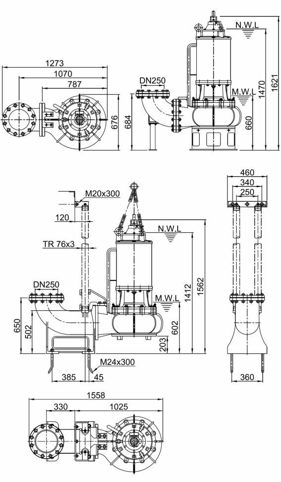
Abmessungen der Pumpe
| Q Max Max. Fördermenge | 670 m3/hod |
| Spannung | 400 V |
| H max Max. Förderhöhe | 30 m |
| P max Maximale Leistungsaufnahme | 25 kW |
| Druckseitiger Anschluss Durchmesser | DN250 '' |
| Kabellänge | 15 m |
| Schwimmerschalter | nie |
| Gewicht | 710 kg |
| Max. Temperatur des Fördermediums | 40 °C |
| PH Wert | 6-9 |
| Nennstrom | 43,5 A |
| Max. Dichte des Fördermediums | 1100 kg/m3 |
| Motorumdrehungen | 1450 rpm |
| Variant | Preis | Verfügbarkeit |
|---|
|
Abwassertauchpumpe HCP AF-1660 / 400V
Q Max: 1210 m3/hod Spannung: 400 V H max: 18 m P max: 50 kW Druckseitiger Anschluss Durchmesser: DN400 '' Kabellänge: 20 m Schwimmerschalter: N Gewicht: 970 kg Max. Temperatur des Fördermediums: 40 °C PH Wert: 6-9 Nennstrom: 92,2 A Max. Dichte des Fördermediums: 1100 kg/m3 Motorumdrehungen: 970 rpm |
|
Abwassertauchpumpe HCP AF-1650 / 400V
Q Max: 1550 m3/hod Spannung: 400 V H max: 17 m P max: 41,5 kW Druckseitiger Anschluss Durchmesser: DN 400 Kabellänge: 20 m Schwimmerschalter: N Partikeldurchlässigkeit: 120 mm m Gewicht: 965 kg Max. Temperatur des Fördermediums: 40 °C PH Wert: 6-9 Nennstrom: 79,1 A Max. Dichte des Fördermediums: 1100 kg/m3 Motorumdrehungen: 970 rpm |
|
Abwassertauchpumpe HCP AF-1440 / 400V
Q Max: 1440 m3/hod Spannung: 400 V H max: 15,5 m P max: 33,6 kW Druckseitiger Anschluss Durchmesser: DN350 '' Kabellänge: 20 m Schwimmerschalter: nie Gewicht: 833 kg Max. Temperatur des Fördermediums: 40 °C PH Wert: 6-9 Nennstrom: 65,1 A Max. Dichte des Fördermediums: 1100 kg/m3 Motorumdrehungen: 970 rpm |
|
Abwassertauchpumpe HCP AF-1430 / 400V
Q Max: 1200 m3/hod Spannung: 400 V H max: 14 m P max: 25,5 kW Druckseitiger Anschluss Durchmesser: DN350 '' Kabellänge: 15 m Schwimmerschalter: nie Gewicht: 828 kg Max. Temperatur des Fördermediums: 40 °C PH Wert: 6-9 Nennstrom: 47,8 A Max. Dichte des Fördermediums: 1100 kg/m3 Motorumdrehungen: 970 rpm |
|
Abwassertauchpumpe HCP AF-1050 / 400V
Q Max: 700 m3/hod Spannung: 400 V H max: 37,5 m P max: 41,5 kW Druckseitiger Anschluss Durchmesser: DN250 '' Kabellänge: 20 m Schwimmerschalter: N Gewicht: 691 kg Max. Temperatur des Fördermediums: 40 °C PH Wert: 6-9 Nennstrom: 69,8 A Max. Dichte des Fördermediums: 1100 kg/m3 Motorumdrehungen: 1450 rpm |
|
Abwassertauchpumpe HCP AF-1040 / 400V
Q Max: 690 m3/hod Spannung: 400 V H max: 32,5 m P max: 33,5 kW Druckseitiger Anschluss Durchmesser: DN250 '' Kabellänge: 20 m Schwimmerschalter: nie Gewicht: 681 kg Max. Temperatur des Fördermediums: 40 °C PH Wert: 6-9 Nennstrom: 57 A Max. Dichte des Fördermediums: 1100 kg/m3 Motorumdrehungen: 1450 rpm |


